1981 honda cx500 parts

1981 honda cx500 parts

Price: $70.99
In stock
Rated 5.0/5 based on 4 customer reviews
Size:
Quantity:
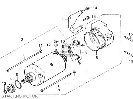
product description:

Find Honda CX500 C 1981 Gauges Speedo Tach in Portland, Oregon, US, for US $133.74
1981 honda cx500 parts Discover cheap clothes, shoes and accessories at Our shop Outlet. Shop the latest collection at cheap prices.
Product reviews:
  iphone Xs
Honda CX500 1981 (B) EUROPEAN DIRECT SALES FINAL SHAFT - buy FINAL SHAFT spares online 1981 honda cx500 parts
1981 honda cx500 parts
  iphone 11 Pro Max
Find Honda CX500 C 1981 Rear Turn Signals Left Right in Portland, Oregon, US, for US $27.74 1981 honda cx500 parts
1981 honda cx500 parts
  iphone 11
cx-500-28 | Cx500 cafe racer, Cafe racer motorcycle, Cafe racer 1981 honda cx500 parts
1981 honda cx500 parts
  iphone SE
1981 Honda CX500 mechanics special for Sale in Durham, North Carolina Classified 1981 honda cx500 parts
1981 honda cx500 parts
Customer Reviews:
Full Name:
Title:
Description:
Rating Value:
Time: 2025-12-20 02:21:46
You may also like: